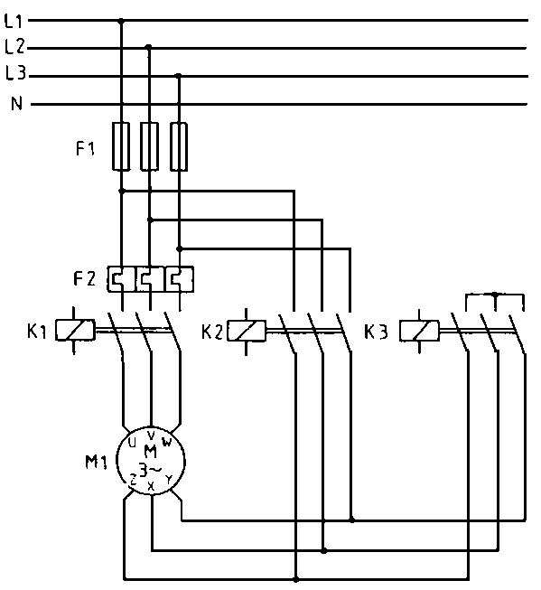
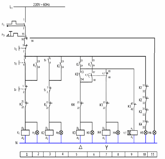
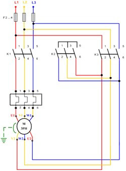
توصيلة ستار دلتا كنترول

دائرة ستار دلتا لتشغيل الموتور معلومات لا تفوتك Youtube

دائرة ستار دلتا لتشغيل الموتور معلومات لا تفوتك Youtube

كيفية توصيل موتور ستار دلتا Star Delta خطوة بخطوة الجزء الثاني Youtube

كيفية توصيل موتور ستار دلتا Star Delta خطوة بخطوة الجزء الثاني Youtube

شرح طريقة ربط ستار دلتا للمضخات المركز الفني والمهني لمهنة الكهرباء العامة Facebook

شرح طريقة ربط ستار دلتا للمضخات المركز الفني والمهني لمهنة الكهرباء العامة Facebook

دائرة الباور والكنترول ستار دلتا لرسم اساسيات الكهرباء والتحكم فيسبوك

دائرة الباور والكنترول ستار دلتا لرسم اساسيات الكهرباء والتحكم فيسبوك

التقنية الإلكترونية دائرة القوي والتحكم لمحرك ستار دلتا Power And Control Circuit To Drive Star Delta

التقنية الإلكترونية دائرة القوي والتحكم لمحرك ستار دلتا Power And Control Circuit To Drive Star Delta

دائرة ستار دلتا لتشغيل الموتور معلومات لا تفوتك Youtube

دائرة ستار دلتا لتشغيل الموتور معلومات لا تفوتك Youtube

دائرة ستار دلتا لتشغيل الموتور معلومات لا تفوتك Youtube

دائرة الباور والكنترول ستار دلتا لرسم اساسيات الكهرباء والتحكم فيسبوك

دائرة الباور والكنترول ستار دلتا لرسم اساسيات الكهرباء والتحكم فيسبوك

طريقة توصيل الموتار ستار دلتا Youtube

طريقة توصيل الموتار ستار دلتا Youtube

لماذا يوصل محرك ستار و محرك آخر دلتا و Control Electrical Engineering فيسبوك

لماذا يوصل محرك ستار و محرك آخر دلتا و Control Electrical Engineering فيسبوك

لماذا يتم توصيل بعض المحركات على استار وبعض المحركات على دلتا والبعض الاخر على ستار دلتا تخصصات بيت كوم

لماذا يتم توصيل بعض المحركات على استار وبعض المحركات على دلتا والبعض الاخر على ستار دلتا تخصصات بيت كوم

شرح كامل و مفصل لدائرة القوى و التحكم لمحرك ستار دلتا بالصور التوضيحية موقع الهندسة الكهربية

شرح كامل و مفصل لدائرة القوى و التحكم لمحرك ستار دلتا بالصور التوضيحية موقع الهندسة الكهربية

لماذا يوصل محرك ستار و محرك آخر دلتا

لماذا يوصل محرك ستار و محرك آخر دلتا

البدء نجمة والتشغيل دلتا فى محركات 3 فاز Star Delta Starting

البدء نجمة والتشغيل دلتا فى محركات 3 فاز Star Delta Starting

شرح توصيلة ستار دلتا ومعلومات مهمة جدا Youtube

شرح توصيلة ستار دلتا ومعلومات مهمة جدا Youtube

المحاضرة السابعه لشرح كورس Classic Control ونشرح بها طريقة الثانية لحماية المحرك الحثى وهى تشغيل المحرك ستار دلتا عالم الهندسه

المحاضرة السابعه لشرح كورس Classic Control ونشرح بها طريقة الثانية لحماية المحرك الحثى وهى تشغيل المحرك ستار دلتا عالم الهندسه

Star Delta Starter البوابة الهندسية الالآت الكهربائية

Star Delta Starter البوابة الهندسية الالآت الكهربائية

تنزيل ستار دلتا الأسلاك رسم تخطيطي الأفكار 1 0 لنظام Android مجان ا Apk تنزيل

تنزيل ستار دلتا الأسلاك رسم تخطيطي الأفكار 1 0 لنظام Android مجان ا Apk تنزيل

البدء نجمة والتشغيل دلتا فى محركات 3 فاز Star Delta Starting

البدء نجمة والتشغيل دلتا فى محركات 3 فاز Star Delta Starting

ستار دلتا عملى ونظرى منتدى القرية الإلكترونية

ستار دلتا عملى ونظرى منتدى القرية الإلكترونية

دائرة التحكم فى تشغيل المحركات نجمة دلتا Star Delta Control Circuit

دائرة التحكم فى تشغيل المحركات نجمة دلتا Star Delta Control Circuit

Star Delta Starter البوابة الهندسية الالآت الكهربائية

Star Delta Starter البوابة الهندسية الالآت الكهربائية

درس13 توصيل محرك عملي ستار دلتا ج 3 Youtube

درس13 توصيل محرك عملي ستار دلتا ج 3 Youtube

محاضرة لشرح ستار دلتا جهاز الميجر Megger الاختبارات اللازمه للتاكد من سلامه المحرك عالم الهندسه

محاضرة لشرح ستار دلتا جهاز الميجر Megger الاختبارات اللازمه للتاكد من سلامه المحرك عالم الهندسه

تشغيل محرك ثلاثة فاز ستار دلتا بالحاكم المنطقي المبرمج Plc سيمنز موسوعة الكهرباء والتحكم

تشغيل محرك ثلاثة فاز ستار دلتا بالحاكم المنطقي المبرمج Plc سيمنز موسوعة الكهرباء والتحكم

فرشة رسم دوائر التحكم الألى

فرشة رسم دوائر التحكم الألى

Star Delta Motor Starting Method هذه شركة دلتا للصناعات الهندسيه لوحات مولدات Facebook

Star Delta Motor Starting Method هذه شركة دلتا للصناعات الهندسيه لوحات مولدات Facebook

تشغيل محرك ثلاثي الأوجه نجمة دلتا باستخدام مؤقت مزمن وعكس حركته بواسطة المفاتيح الكهرومغناطيسية موسوعة الكهرباء والتحكم

تشغيل محرك ثلاثي الأوجه نجمة دلتا باستخدام مؤقت مزمن وعكس حركته بواسطة المفاتيح الكهرومغناطيسية موسوعة الكهرباء والتحكم

كيفية توصيل موتور ستار دلتا Star Delta خطوة بخطوة الجزء الثاني Youtube

كيفية توصيل موتور ستار دلتا Star Delta خطوة بخطوة الجزء الثاني Youtube

توصيل دلتا ويكيبيديا

توصيل دلتا ويكيبيديا

ربط ماطور محرك كهربائي ثري فيز ثلاثي الاطوار بطريقة ستار دلتا منتديات درر العراق

ربط ماطور محرك كهربائي ثري فيز ثلاثي الاطوار بطريقة ستار دلتا منتديات درر العراق

Automatic Control

Automatic Control

ستار دلتا للمحركات Star Delta

ستار دلتا للمحركات Star Delta

Star Delta Starter البوابة الهندسية الالآت الكهربائية

Star Delta Starter البوابة الهندسية الالآت الكهربائية

دورة في مادة التحكم الألي Classic Control الإلكترونيات والتحكم منتدى المهندس

دورة في مادة التحكم الألي Classic Control الإلكترونيات والتحكم منتدى المهندس

شرح دائرة ستار دلتا لتشغيل موتور حثي ثلاثي الأوجه وكيف يتم توصيلها Youtube

شرح دائرة ستار دلتا لتشغيل موتور حثي ثلاثي الأوجه وكيف يتم توصيلها Youtube

Ee4ee Electrical Engineering For Electrical Engineers كيفية توصيل المحرك ستار ثم دلتا أوتوماتيكيا

Ee4ee Electrical Engineering For Electrical Engineers كيفية توصيل المحرك ستار ثم دلتا أوتوماتيكيا

تحويلة ستار دلتا ويكيبيديا

تحويلة ستار دلتا ويكيبيديا

ستار دلتا عملى ونظرى الصفحة 4 منتدى القرية الإلكترونية

ستار دلتا عملى ونظرى الصفحة 4 منتدى القرية الإلكترونية

Pdf ستار دلتا

Pdf ستار دلتا

التحكم الالى صفحة 1

التحكم الالى صفحة 1

Source : pinterest.com